Referência
Num sistema de controlo em malha fechada é utilizada uma realimentação de forma a controlar o sinal de saída e, deste modo, compará-lo com o sinal de referência que é previamente definido. Assim, no sistema de controlo automático de luz, este processo é aplicado com o objetivo de o tornar mais preciso, uma vez que podem ocorrer erros devido a distúrbios e à calibração. Após este procedimento é calculado o erro sendo, assim, convertido num sinal de controlo que será aplicado no processo. Este sinal é usado de forma a corrigir o erro entre o sinal de saída e o de referência, atuando como novo sinal de entrada.

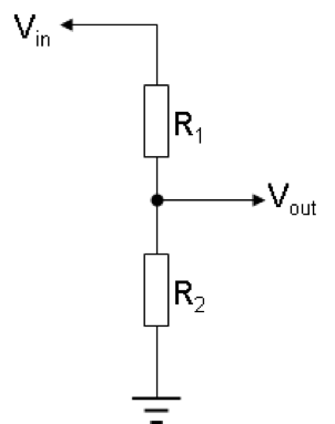
Deste modo, a referência será utilizada para regular os valores que foram pré-definidos, os quais podem variar entre 10V e 0V que correspondem a 100% e 0% de luminosidade, respetivamente. No entanto, a fonte de alimentação utilizada no sistema tem a capacidade de fornecer 12V mas apenas é necessário, no máximo, 10V como já referido anteriormente. Para tal, foi definido um divisor de tensão para obter a tensão de entrada pretendida, como podemos verificar na figura 11.

Na figura, Vin representa os 12V fornecidos pelo transformador e Vout a tensão máxima pretendida, correspondente a 10V. Além disso, R2 representa o potenciómetro de 1000 que pode ser regulado manualmente variando entre 1k e 0. Ainda, R1 representa a resistência que será utilizada para obter os 10V máximos.
Deste modo, a seguinte fórmula permitiu calcular o valor de R1:

Através deste estudo, pode-se concluir que quando o potenciómetro
estiver na sua resistência máxima, 1k, a
tensão será também máxima, isto é, 10V e se se apresentar na resistência
mínima, 0, terá
uma tensão nula, 0V. Se o potenciómetro for regulado para outro valor como, por
exemplo, 750, irá
apresentar uma tensão de saída de 9,47V.
